Артикул Holiday Уличный детский спортивный комплекс Kampfer
Новинка уже в продаже!
Современный модельный ряд!!! Самый качественный и надежный в Европе!
Продукция Kampfer отличается высокой износоустойчивостью и повышенной экологической безопасностью!
Суперсовременный детский спортивный комплекс .
Уличный детский спортивный комплекс Kampfer Holiday разработан специально для детей от 3 до 10 лет. Он абсолютно безопасен за счет своей небольшой высоты (1.9 м). Ребенок сможет с легкостью освоить рукоход, кольца и канат. Легкие для раскачивания качели понравятся малышу.
Достоинства:
— САМЫЙ надежный!
— САМЫЙ красивый!
— САМЫЙ многофункциональный!
— САМЫЙ безопасный!
Комплектация:
— лестница гимнастическая
— турник неподвижный
— рукоход
— канат
— кольца гимнастические
— качели со спинкой
Характеристики:
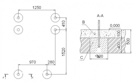
— Габаритные размеры: 217 x 164 см
— Высота: 191 см
— Допустимая нагрузка: 100 кг
— Вес с упаковкой: 44 кг
— Объём упаковки
1-ая коробка: 116 x 53,5 x 14 см - 33,3 кг;
2-ая коробка: 141 x 34 x 50 см - 10,2 кг.
Технические характеристики:
2-ая коробка: 141 x 34 x 50 см
Доставка по городу
Самовывоз
Стоимость установки рассчитает менеджерНажимая на кнопку "Задать вопрос" Вы даете согласие на обработку персональных данных
В нашем ассортименте представлен хороший выбор тренажеров и игрового оборудования для улицы. Наш интернет-магазин сотрудничает только с надежными производителями, высоко зарекомендовавшими себя на рынке. Поэтому вы можете не сомневаться в безупречном качестве товаров, изображенных на фото нашего каталога.
Сейчас у нас проходит грандиозная акция – и на многие хиты продаж снижена цена. Например, на уличный детский спортивный комплекс kampfer holiday, купить изделие с артикулом Holiday можно всего за 15 200 руб. рублей. В карточке товара представлено его подробное описание, чтобы вам было проще определиться с выбором.
Мы выполняем не только реализацию и доставку, но и установку уличного оборудования.
Чтобы узнать, сколько стоит установка, сообщите нам следующие условия:
- Место расположения и специфику объекта
- Характеристики покрытия, на котором необходимо выполнить монтаж
В любом случае, установка уличного оборудования бригадой наших мастеров обойдется вам очень недорого. На все работы предоставляется гарантия качества.














